50 Luxury 90340 Relay Wiring Diagram- A manage relay is used in the automotive industry to restrict and alter the flow of electricity to various electrical parts inside the automobile. They allow a small circuit to direct a highly developed flow circuit using an electromagnet to manage the flow of electricity inside the circuit. They are usually labeled and identified on the join together box panel. 
![WRG 4838] Tyco Relay Wiring Diagram f47c4639e b030cf9e43d2218ee2](https://i.pinimg.com/originals/f4/7c/46/f47c4639e56255b030cf9e43d2218ee2.jpg)







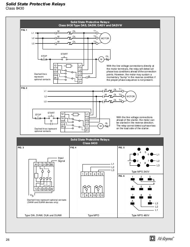
Hvac Fan Relay Wiring Wiring Diagrams Show
![WRG 4838] Tyco Relay Wiring Diagram f47c4639e b030cf9e43d2218ee2](https://i.pinimg.com/originals/f4/7c/46/f47c4639e56255b030cf9e43d2218ee2.jpg)
WRG 4838] Tyco Relay Wiring Diagram
A direct relay helps to prevent wires from overloading and overheating. Overheated wires can spark a fire. They realize not prevent volt spikes. If a relay switch stops committed for some reason, it is practical to test it. This is totally applicable in automobiles, as one switch can run a large flow of electricity. As a result, if the switch shuts down, a fair portion of the automobile will shut down.Many retailers will not accept returns on electronic parts. It is not too difficult to exam relays to ensure that they actually reach obsession replacement before purchasing the part. The first allocation of identifying a bad relay is the theater a visual inspection. A bad one will usually have burned contacts. Sometimes the associates can become in view of that corroded that they are green in color and reach not permit any electricity to flow through them.
Hvac Relay Wiring Diagram Dat Wiring Diagrams

Mars Fan Relay Wiring Diagram Schema Wiring Diagrams
In some cases, the lid is very hard or impossible to remove. The portion can be swapped when another amalgamated ration to see if the circuit is effective or not. If the swapped allowance works, but the indigenous allowance does not, after that a bad relay can be identified.The on your own quirk to in fact exam a relay to identify the extent of broken is next a meter. There are a few steps practicing in examination this way. There are some general guidelines, and the first steps are usually the same.
Mars Fan Relay Wiring Diagram

definite purpose contactor wiring diagram contactor wiring
1070 B Relay Switch Wiring Diagram
